Реверсивный клапан FR-20

BIJUR DELIMON
GE-FR20
Для заказа достаточно просто добавить товар в корзину и наши менеджеры помогут с выбором оптимальной модификации.

Применение
Реверсивные клапаны FR20 используются в сочетании с двумя реле давления, направляя поток смазки через системы концевой линии DC4I, таким образом, чтобы смазка направлялась сначала на один комплект входящих портов двухлинейного клапана, а затем на другой при продолжающихся циклах смазки.

Примечание: FR20 работает в связке с двумя реле давления, U620D1.

Особенности изделия
  • Каждая катушка имеет индикатор питания. Данный индикатор удобен при выявлении неисправностей в системе.
  • Катушки легко заменяются, не требуя вмешательств в проводку.
  • Новая модель FR20 абсолютно взаимозаменяема с существующей моделью FR10.

Страна производства: Германия

Тип товара: Клапаны

Тип системы: DL Двухлинейная система

Технические характеристики
Схема подключения
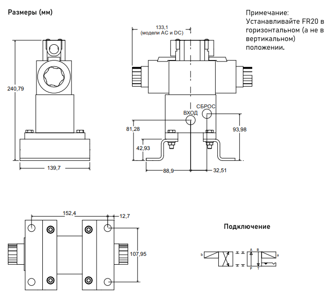
Размеры (мм)
Заказ

Технические характеристики

Схема подключения


Размеры (мм)

Заказ