Распределитель PAG

BIJUR DELIMON
Для заказа достаточно просто добавить товар в корзину и наши менеджеры помогут с выбором оптимальной модификации.

Основные характеристики
  • Двухлинейный распределитель
  • Моноблочный корпус
  • Рабочая среда: масло и пластичная смазка
  • До 4 выпусков
  • Дозированный объем от 0,4 до 2,0 см3 за цикл

Страна производства: Германия

Тип товара: Смазочные распределители

Тип системы: DL Двухлинейная система

Принцип действия
Технические характеристики
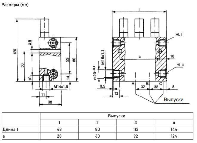
Размеры
Заказ

Принцип действия

Принцип действия
Давление в главной линии I (НL II)
Если главная линия I (НL II) находится под давлением, то смазка переместит управляющий поршень (I) до упора (2). Смазка через канал (a) поступает в камеру (c) нажимая на дозирующий поршень (3), перемещая его до упора (4). Смазка, находящаяся в камере (d) перед торцом дозирующего поршня, выравнивается через каналы (b) и (f) к выпуску смазочной точки (e).
Давление в главной линии II (НL III)
Если главная линия II (НL III) находится под давлением, то смазка переместит управляющий поршень (I) до упора (5). Смазка через канал (b) поступает в камеру (d) нажимая на дозирующий поршень (3), перемещая его до упора (6). Смазка, находящаяся в камере (c) перед торцом дозирующего поршня, выравнивается через каналы (a) и (f) к выпуску смазочной точки (e).
На дозирующемся поршне закреплен выдвижной штифт для визуального контроля работоспособности и одновременно возможности регулирования хода дозирующего поршня. Регулирование хода дозирующего поршня производится с помощью винта (8) и позволяет бесступенчато изменять поставляемую к выпуску дозу смазки. Штифт для визуального контроля и регулировочный винт совмещены в регулировочном устройстве (7).

Технические характеристики

Размеры

Заказ