Гидравлический переключающий клапан DU

Китай
CH-DU
Для заказа достаточно просто добавить товар в корзину и наши менеджеры помогут с выбором оптимальной модификации.

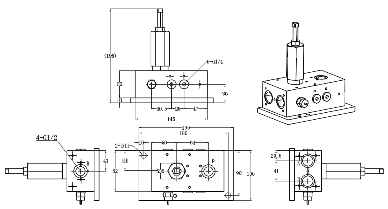
Гидравлические переключающие клапаны DU, предназначенные в первую очередь для использования в двухлинейных системах смазки, эти переключающие клапаны поочерёдно выпускают смазку, подаваемую насосом в одну из двух основных магистралей, другая магистраль подсоединена к обратному трубопроводу насоса, давление переключения регулируется.

Особенности и преимущества:
  • Надёжен даже при использовании твёрдой смазки
  • Процесс переключения запускается автоматически при достижении заданного давления
  • Максимальное рабочее давление составляет 35 МПа
  • Различные положения крепления
  • Эффективно работает при температурах от –20 до +80 °C

Страна производства: Китай

Тип товара: Клапаны

Тип системы: DL Двухлинейная система

Технические характеристики
Размеры

Технические характеристики

Размеры