Коммутационный клапан SA-H

BIJUR DELIMON
GE-SAH
Для заказа достаточно просто добавить товар в корзину и наши менеджеры помогут с выбором оптимальной модификации.

Характеристики
• Четырехлинейный двухпозиционный клапан
• Привод через редукторный двигатель постоянного тока
• Рабочее давление макс. 400 бар

Принцип действия
Привод осуществляется через редукторный двигатель постоянного тока с большим моментом вращения, так что надежное включение происходит даже при неблагоприятных производственных условиях (например низкая температура или очень вязкая смазка). Из-за короткого времени срабатывания, поршень проходит критические позиции коммутации с малым перекрытием на большой скорости. Электрический сигнал об обоих конечных положениях поршня поступает от датчика предельных (конечных) положений. Инерционный выбег и направление вращения двигателя не влияют на положение датчика предельных положений и точность коммутации. Встроенный трансформатор, выпрямитель тока и предохранитель для подключения к AC 110-127 В или 200=240 В.

Страна производства: Германия

Тип товара: Направляющая аппаратура

Тип товара: Клапаны

Тип системы: DL Двухлинейная система

Технические характеристики
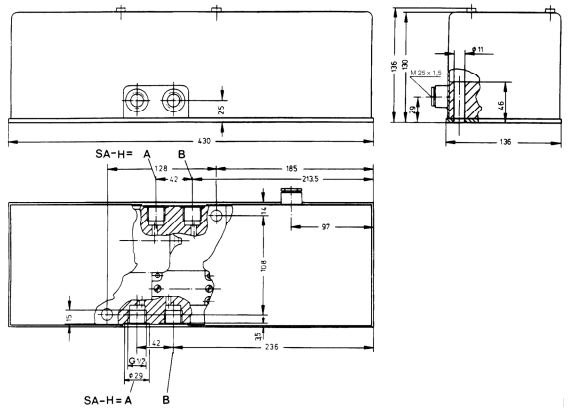
Размеры
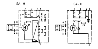
Схемы подключения
Коммутация каналов и положение контактов
Графическое условное обозначеие
Заказ

Технические характеристики

Размеры

Схемы подключения

Коммутация каналов и положение контактов

Графическое условное обозначеие

Заказ