Реверсивный клапан SA-V

CH-SAV
Для заказа достаточно просто добавить товар в корзину и наши менеджеры помогут с выбором оптимальной модификации.

Характеристики
  • Четырехлинейный двухпозиционный ревесивный клапан
  • Привод через редукторный двигатель постоянного тока
  • Рабочее давление макс. 400 бар

Принцип действия
Привод осуществляется через редукторный двигатель постоянного тока с большим моментом вращения, так что надежное включение происходит даже при неблагоприятных производственных условиях (например низкая температура или очень вязкая смазка). Из-за короткого времени срабатывания, поршень проходит критические позиции коммутации с малым перекрытием на большой скорости. Электрический сигнал об обоих конечных положениях поршня поступает от датчика предельных (конечных) положений. Инерционный выбег и направление вращения двигателя не влияют на положение датчика предельных положений и точность коммутации. Встроенный трансформатор, выпрямитель тока и предохранитель для подключения к AC 110-127 В или 200=240 В.

Страна производства: Китай

Тип товара: Клапаны

Тип системы: DL Двухлинейная система

Технические характеристики
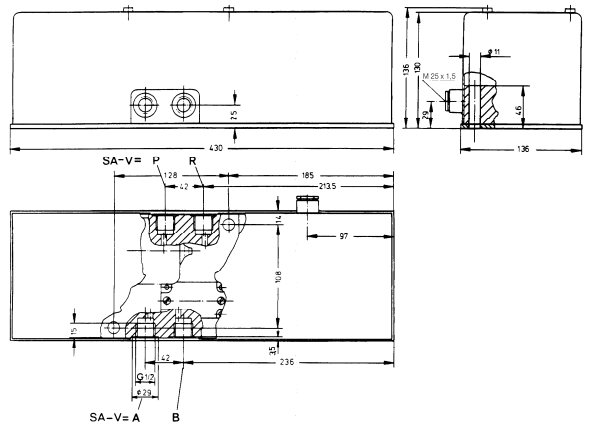
Размеры
Схемы подключения
Заказ

Технические характеристики

Размеры

Схемы подключения

Заказ