Реверсивный клапан DR-4

Китай
CH-DR-401
Для заказа достаточно просто добавить товар в корзину и наши менеджеры помогут с выбором оптимальной модификации.

DR-4 является гидравлически управляемым реверсивным клапаном для замкнутых или незамкнутых систем.

• Управляется давлением системы – нет эл/магн. клапанов.
• Мгновенное переключение при достижении заданного значения давления.
• Регулировка в широком диапазоне.
• Может монтироваться непосредственно на насосе или отдельно.

Страна производства: Китай

Тип товара: Клапаны

Тип системы: DL Двухлинейная система

Технические характеристики
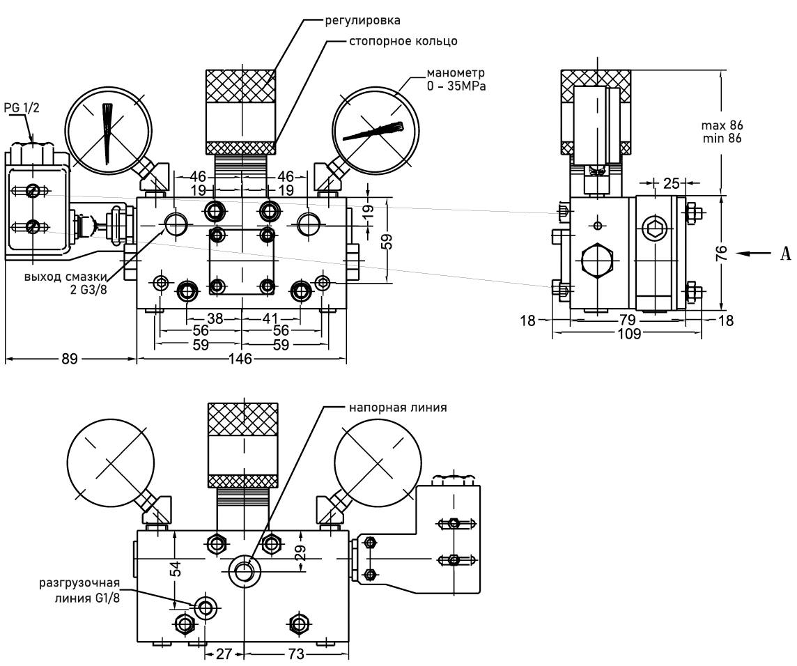
Размеры
Принцип действия
Заказ

Технические характеристики

Размеры

Принцип действия

Клапан состоит из двух секций, одна из которых отвечает за направление потока от насоса по смазочным магистралям, а другая за контроль давления, включающая подпружиненные поршни, против которых направлено давление.

На клапане DR4-1 (замкнутая система) это давление контролируется на раздельных внешних портах, которые подключаются к нагнетательным магистралям после конечного дозирующего клапана в системе.

На DR4-2 (незамкнутая система) это давление контролируется внутри клапана.
Переключение реверсивного клапана определяется устанавливаемой нагрузкой пружины. При работе всех дозирующих клапанов в системе, давление возрастает. Управляющий поршень действует против переключателя. Когда вертикальная сила от переключателя сравняется с силой пружины, происходит переключение в противоположную позицию.

Это направит управляющий поток к одному торцу управляющего поршня и соединит другой с баком, этим переводя поток от насоса в другую нагнетательную магистраль с большим потоком в бак.

Электрический переключатель устанавливается около реверсивного клапана и приводится в действие при контакте концевика и управляющего поршня.
При этом происходит либо переключение, либо пауза, посылается сигнал на контроллер для остановки насоса и начала временного интервала.

Заказ