Ходовой клапан SA-K

BIJUR DELIMON
GE-SAK
Для заказа достаточно просто добавить товар в корзину и наши менеджеры помогут с выбором оптимальной модификации.

Характеристики изделия
  • Четырехходовой двухпозиционный
  • Гидравлическое управление
  • Рабочее давление настраивается до 250 бар или до 350 бар
  • Индикатор движения

Функционирование
Четырехходовой двухпозиционный клапан SA-K при каждом возрастании давления на подводе P вызывает автоматическое переключение на соответственно одну из двух главных магистралей, подключенных к подводам 1 и 2, т.к. давление будет попеременно подаваться на обе магистрали. При этом главная магистраль без давления будет соединена с подводом R.
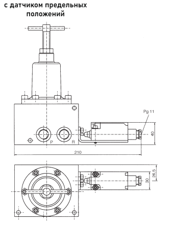
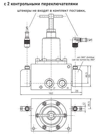
Реверсивное давление регулируется с помощью редукционного клапана до макс. 250 или 350 бар. Следует следить за тем, чтобы реверсивное давление не было выше максимального рабочего давления соответствующего смазочного насоса. Соответствующее состояние включения можно контролировать с помощью одного датчика предельных положений или двух электронных выключателей, это дает возможность отключать насос после окончания процесса смазки.
У одномагистральных систем подвод 2 нужно закрыть навинчивающейся крышкой. Так достигается функция трехходового двухпозиционного клапана.
Во время такта давления существует связь между подводом P и подводом 1, а во время паузы – между подводом 1 и подводом R.

Страна производства: Германия

Тип товара: Клапаны

Тип системы: DL Двухлинейная система

Технические характеристики
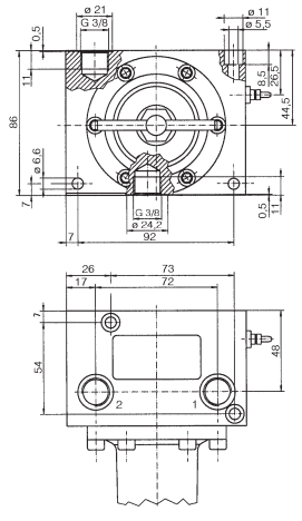
Размеры
Заказ

Технические характеристики

Размеры

Заказ