Устройство для измерения давления в конце трубопровода EZ-600

Китай
CH-EZ-600
Для заказа достаточно просто добавить товар в корзину и наши менеджеры помогут с выбором оптимальной модификации.

Концевые реле давления EZ-600 являются ключевыми компонентами двухлинейной системы смазки, предназначенными для контроля работы системы. Эти переключатели определяют давление в конце соответствующей магистрали и запускают процедуру замены, если давление в конце магистрали не достигается в течение определённого периода времени. Со временем на электронном блоке управления будет сгенерирован сигнал неисправности.

Применение
  • Крупные двухлинейные системы
  • Сталелитейные заводы
  • Цементные заводы
  • Полезные ископаемые и горнодобывающая промышленность

Страна производства: Китай

Тип товара: Аппаратура контроля давления

Тип системы: DL Двухлинейная система

Технические характеристики
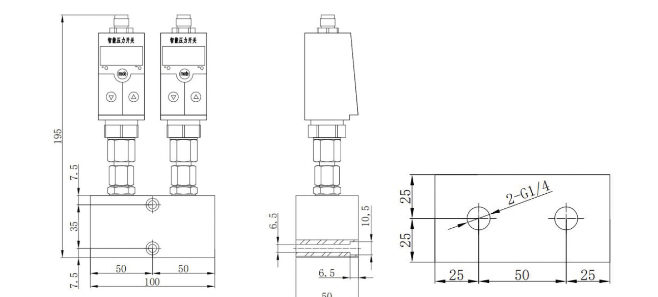
Размеры
Преимущества и особенности изделия

Технические характеристики

Размеры

Преимущества и особенности изделия

Особенности и преимущества
  • Контролирует правильную работу насоса и переключающего устройства
  • Отслеживает наличие утечек в трубопроводной системе
  • Поставляется с концевыми выключателями или электронными реле давления со светодиодным дисплеем
  • Надёжная конструкция для работы в сложных условиях