Распределитель M4000

Витриол
CH-M4000
Для заказа достаточно просто добавить товар в корзину и наши менеджеры помогут с выбором оптимальной модификации.

M4000 прогрессивный распределитель является современным и рациональным устройством для . Распределитель 4000 может использоваться в условиях высокого давления и широких температурных колебаний. Он может работать в составе однофазной системы смазки с электропомпами, пневматическими насосами и другими устройствами. Основные применения включают в себя крупные прессы в автомобильной промышленности (с усилием свыше 800 тонн) и подобные производственные приложения. Типичное оборудование 4000 состоит из одной "начальной пластины", одной "концевой пластины" и от 3 до 11 рабочих пластин. Обычно такая группа распределителей может обеспечивать смазку от 3 до 22 смазочных точек. Рабочие пластины распределителя 4000 имеют различные номиналы, описанные в технической спецификации. Рабочие пластины с двойным выходом (обозначаются "Т" после числового значения в спецификации) имеют два выходных отверстия, расположенные на обоих концах пластины. Рабочие пластины с одним выходом (обозначаются "S") обладают одним выходным отверстием, которое может находиться на любом конце пластины; при этом второе выходное отверстие должно быть закрыто. Важно отметить, что для рабочих пластин с двойным выходом не допускается блокировка ни одного из выходов, так как это приведет к повреждению распределителя.

Страна производства: Китай

Тип товара: Смазочные распределители

Тип системы: PR Прогрессивная/последовательная система

Технические характеристики
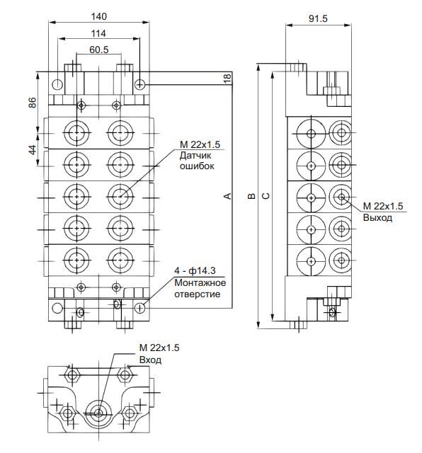
Размеры
Заказ

Технические характеристики

Примечания:
  1. Пользователь должен изменить диаметр втягивающих и выталкивающих труб, пожалуйста, укажите это при заказе.
  2. Пользователь ни в коем случае не должен заделывать выходное отверстие распределителя, чтобы избежать повреждения распределителя из-за избыточного давления.
  3. Если есть особые требования к входным и выходным отверстиям, пожалуйста, укажите это при заказе.
  4. Лучшее положение для установки - когда сердечник находится в горизонтальном положении, а вход находится сверху.
  5. Если распределитель используется в условиях неконтинуального потока, установите обратный клапан на выходе.
  6. Для обеспечения точной установки распределителя, пожалуйста, оставьте два монтажных отверстия на первой (или последней) пластине в месте установки основного оборудования, чтобы на месте установить оставшиеся два монтажных отверстия, чтобы избежать проблемы с несовпадением расстояния между установочными отверстиями (размер A) из-за накопительных ошибок при сборке.

Размеры

Заказ