Распределитель M2000

Витриол
CH-M2000
Для заказа достаточно просто добавить товар в корзину и наши менеджеры помогут с выбором оптимальной модификации.

Серия прогрессивных распределителей 2000 является современным и рационально спроектированным решением дозирования смазок и масла. Распределители серии 2000 могут быть использованы в условиях с высоким давлением и в широком температурном диапазоне. Они могут образовывать небольшие системы смазки в сочетании с ручными, электрическими или пневматическими насосами. Это идеальный продукт для различных средних станков и оборудования, а также в качестве суб-распределителей в крупных системах смазки. Распределитель серии 2000 состоит из одной "IN - входной" секции, одной "END - концевой" секции и от 3 до 10 рабочих секций. Обычно один распределитель может обеспечить смазкой для 3 до 20 точек. Рабочие секции распределителей 2000 имеют различные исполнения по объемам (подробности см. в технических характеристиках). Рабочие секции с двумя выходными отверстиями (обозначаются буквой T после цифрового кода) имеют два выхода, расположенных на противоположных концах секции. Рабочие секции с одним выходным отверстием (обозначаются буквой S после цифрового кода) имеют один выход, который может находиться на любом из концов секции, в то время как другой выход необходимо закрыть. Важно отметить, что для рабочих секций с двумя выходами нельзя закрывать ни один из выходов, поскольку это повлияет на их нормальную работу и может повредить распределитель.

Страна производства: Китай

Тип товара: Смазочные распределители

Тип системы: PR Прогрессивная/последовательная система

Технические характеристики
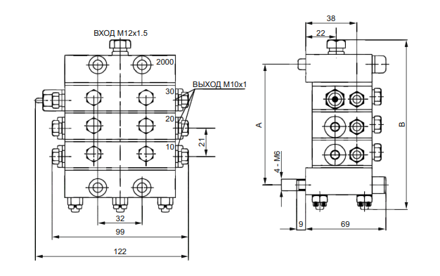
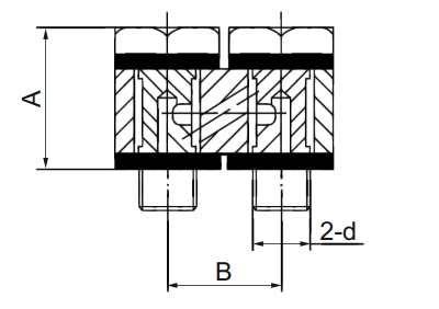
Размеры
Заказ

Технические характеристики

  1. На клапанных пластинах с номиналом 20Т или 20S и выше можно установить индикатор цикла.
  2. Пользователь должен изменить диаметр входных и выходных труб, пожалуйста, укажите это при заказе.
  3. Пользователь в любом случае не должен запечатывать выходное отверстие распределителя, чтобы избежать повреждений от превышения давления.
  4. Для выбора соединителя пожалуйста, обратитесь к разделу "Принадлежности для распределителей: соединитель".
  5. Минимальное количество рабочих пластин в группе — 3, максимальное — 10.
  6. Если есть специальные требования к входным и выходным отверстиям, пожалуйста, укажите это при заказе.
  7. Для обеспечения точной установки распределителя, пожалуйста, оставьте два монтажных отверстия на первой (или последней) пластине на основном оборудовании, и при установке распределителя на месте соответствующим образом установите две монтажные отверстия на первой (или последней) пластине, чтобы избежать проблем с установкой из-за накопления ошибок сборки.

Размеры

Правила заказа прогрессивных распределителей серий М2000 и М3000
Заказ комбинированного прогрессивного распределителя следует делать в
соответствии с правилами заказа, но лучше предоставить схему комбинирования
распределителя для большей ясности.
Пример: заказ схемы распределителя 2000.

Заказ