Распределитель KL

Витриол
CH-KL
Для заказа достаточно просто добавить товар в корзину и наши менеджеры помогут с выбором оптимальной модификации.

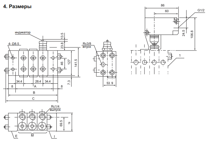
Коллектор прогрессивного разделительного клапана серии KL распределяет и дозирует поступающее масло или смазку по точкам опоры. Типичный коллектор разделительного клапана состоит из впускной секции, от трех до десяти клапанов и концевой секции. Один узел может обслуживать максимум до 20 точек смазки. Расположение клапанных блоков внутри коллектора не имеет решающего значения, однако рекомендуется, чтобы самый большой блок располагался рядом с впускным блоком. Отдельные блоки разделительных клапанов имеют скользящий выпускной поршень и встроенные выпускные обратные клапаны. Блоки предлагаются в шести типоразмерах. Пропускная способность блока определяется путем изменения диаметра поршня в блоке клапанов. Блоки клапанов имеют по два выхода, расположенных на каждом конце сборки (двойные блоки выпусков), и обеспечивают номинальную выходную мощность каждого из двух выпусков в течение одного полного цикла работы клапана. Блоки с одним выпуском имеют заглушенный выходной патрубок на одном конце (правая сторона, входное отверстие вверху) и выдают в два раза больше номинальной мощности на открытый выпускной патрубок (левая сторона, входное отверстие вверху). Для открытого выхода с правой стороны просто снимите заглушку и оставьте в левую розетку. С помощью комплекта для объединения выходов можно выполнить внешнее перекрестное перемещение соседних клапанов.
Рабочая секция с двойным маслоотводом (в спецификации обозначается буквой “T”), имеется два маслоотвода соответственно на двух концах рабочей секции.
Секция с одинарным маслоотводом (в спецификации обозначается буквой “S”) будет иметь выход масла, который может находиться на любом конце заготовки, а выход масла на другом конце должен быть перекрыт.
Обратите внимание, в рабочей секции с двойным маслоотводом запрещается блокировать маслоотвод, в противном случае распределитель будет поврежден.

Отдельные клапанные блоки работают в заранее определенной "прогрессивной" последовательности. Во время работы поршень внутри блока должен завершить полный цикл разгрузки, прежде чем начнет работать другой поршень. До тех пор, пока смазка подается под давлением во входную секцию разделителя, клапанные блоки коллектора будут продолжать работать поступательно. Когда подача смазочного материала во впускной блок прерывается, движение поршня прекращается. Когда поток возобновляется, движение поршня начинается в той же точке цикла нагнетания. Линии подачи обеспечивают подачу смазочного материала от блока клапанов до отдельных точек смазки. Если сливной трубопровод заблокируется, это приведет к остановке работы всех клапанов. Доступны индикаторы, предупреждающие о блокировке.

Страна производства: Китай

Тип товара: Смазочные распределители

Тип системы: PR Прогрессивная/последовательная система

Технические характеристики
Размеры
Заказ

Технические характеристики

Размеры

Заказ