Распределитель KM

Витриол
CH-KM
Для заказа достаточно просто добавить товар в корзину и наши менеджеры помогут с выбором оптимальной модификации.

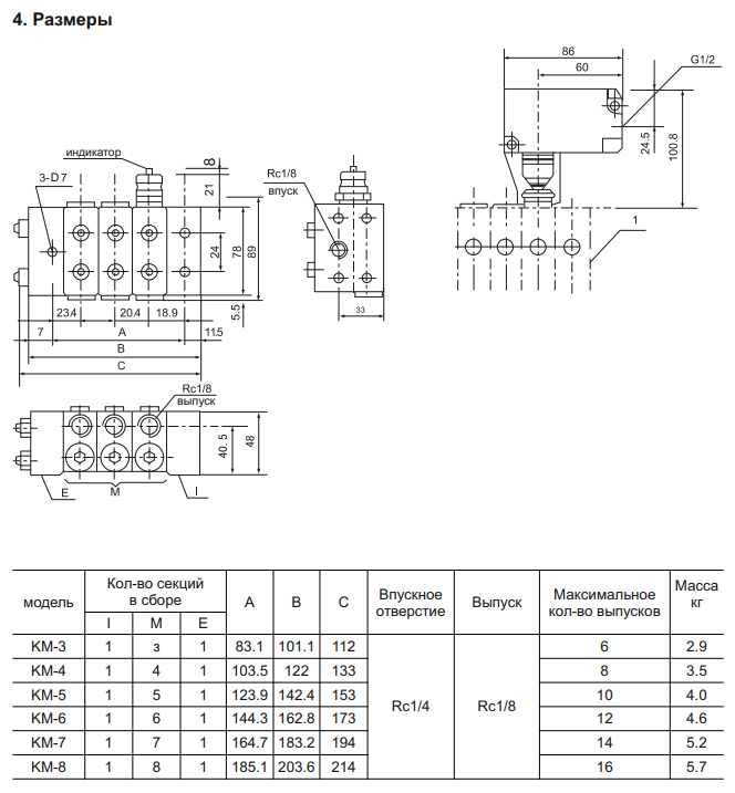
Прогрессивный распределитель серии КМ это распределитель последовательного действия, который распределяет масло или смазку к смазочные точкам. Распределитель состоит из входной секции, от трех до девяти клапанных секций и конечной секции. Один узел может обслуживать до 20 точек смазки. Последовательность расположения клапанных секций не имеет значения, однако рекомендуется, чтобы самый большой блок располагался рядом с входной секцией.
Клапанные секции имеют поршень нагнетания и встроенные выпускные обратные клапаны. Клапанные секции выпускаются в трех размерах. Объем выпуска клапанной секции определяется диаметром встроенного поршня. Клапанная секция имеет два выхода, расположенные на двух сторон (секции с двойным выпуском), и обеспечивают номинальную производительность из каждого из двух выходов в течение одного полного цикла.

Клапанные секции с одинарным выходом имеют 1 концевой выход, заглушенный (правая сторона, вход вверху) и обеспечивают удвоенную выпускную дозу на открытый выход (левая сторона, вход вверху). Для правостороннего выпуска выкрутите заглушку с левой стороны и вкрутите ее в левое выпускное отверстие. Внешнее объединение соседних клапанов может быть достигнуто с помощью спец. комплекта (кросс порт) для объединения выходов.

Клапанные секции работают в заранее установленной «прогрессивной» последовательности. Во время работы поршень в секции должен завершить полный (ход) цикл нагнетания, прежде чем другой поршень начнет работать. Пока смазка подается под давлением на входную секцию распределителя, распределитель будет продолжать работать. Когда поток смазки к впускному блоку прерывается, движение поршня прекращается. Когда поток возобновляется, движение поршня начинается в той же точке цикла нагнетания. Подающие линии подают смазку от распределителя к точкам смазки. Если одна из линий, подающих смазку к точке смазки заблокируется, распределитель перестанет работать. Имеются индикаторы для оповещения о блокировке.

Страна производства: Китай

Тип товара: Смазочные распределители

Тип системы: PR Прогрессивная/последовательная система

Технические характеристики
Размеры
Заказ

Технические характеристики

Размеры

Заказ