Распределитель M1000

Витриол
CH-M1000
Для заказа достаточно просто добавить товар в корзину и наши менеджеры помогут с выбором оптимальной модификации.

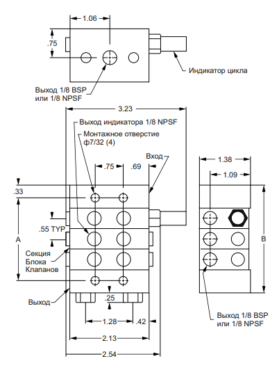
Прогрессивный распределитель М1000 обладает превосходными характеристиками и может использоваться в условиях значительного давления и температурных колебаний. Он может быть использован в качестве распределителя для различных малых токарных станков и пластиковых установок, а также в крупных одноточечных системах смазки, работая вместе с ручными, электрическими и пневматическими насосами, что делает его идеальным продуктом для аналогичных приложений. Типичный распределитель М1000 состоит из первой секции (первый элемент), последней секции (последний элемент) и от 3 до 8 промежуточных блоков. Обычно одна комбинация распределителя может обеспечить смазку для 3-16 точек смазки. Блоки распределителя 1000 имеют разные спецификации по производительности (подробности см. в технических характеристиках). Двойной выход (буква T после номера спецификации блока указывает на двойной выход) расположен на обоих концах блока. Одинарный выход (буква S после номера спецификации блока указывает на одинарный выход) расположен на одной стороне блока, в то время как выход на другой стороне должен быть заглушен. Важно отметить, что на двух выходах блока не следует блокировать выход на одной стороне, иначе это повлияет на нормальную работу распределителя и может привести к его повреждению.

Страна производства: Китай

Тип товара: Смазочные распределители

Тип системы: PR Прогрессивная/последовательная система

Технические характеристики
Размеры
Заказ

Технические характеристики

Примечания:
  1. На блоках с номерами спецификаций 1,5Т или 1,5S может быть установлен индикатор циклов.
  2. Если пользователь хочет изменить диаметр шланга для заливной горловины или выхода, это необходимо указать при заказе.
  3. Никогда не следует блокировать выход распределителя в любых ситуациях. Это может привести к превышению давления и повреждению распределителя.
  4. При выборе соединителя следует обратиться к разделу "Детали распределителя - соединитель".
  5. Блок должен состоять минимум из 3 и максимум из 8 элементов.
  6. Если имеются специальные требования к заливной горловине или выходу, это также необходимо указать при заказе.

Размеры

Заказ